Page 314 - 工业控制与保护 - 人民电器集团有限公司
P. 314
RDJR6系列软起动 RDJR6-ZX系列软起动
应用图集 产品概述
RDJR6-ZX软起动器采用智能化数字控制,以单片机为智能中心,可控硅模块为执行元件,对电
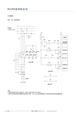
常用(一拖一)控制原理图
动机进行全自动控制。软起动器适用于各种负载的鼠笼型异步电动机控制,使电动机在任何工
作状况下均能平滑起动,保护拖动系统,减少起动大电流对电网的冲击,保证电动机可靠起
动。软起动器的平滑停车功能,可以有效解决惯性系统设备的停车喘振问题,消除拖动系统的
N 反惯性冲击,是传统设备无法实现的。软起动器具有的系统保护功能,可延长系统的使用寿
电源输入 命,降低系统造价成本,提高系统可靠性,而且兼容了所有起动设备的各种功能,是代替传统
L1
AC380V/50Hz 星三角起动、自耦减压起动方式的理想产品。
L2 软起动器广泛应用于冶金、石油、矿山、化工等所有工农业领域的电机传动设备。
L1 N
L3
V 选型指南
PV FU 熔断器
QF
SB1
SB2 AR KA1 RDJR6-ZX 37KW
软起动器
起动停止 产品型号 电机功率
KA1 KM
RQ 5.5、7.5 、11、15、18.5、
KA1 22、30、37、45、55、75、
1 2 旁路控制
瞬停 停止 起动 公共端 HG 软起动器 90、115、132、160、185、
R S T 7 8 9 10 200、250、280、320、350、
L21 运行指示
L22 RQ 旁路输出 编程输出 故障输出 KA1 KM 400
L23 HR
1 2 3 4 5 6 停止指示
KM
软起动器 RQ AR
产品特点
5 6 故障控制
HY
□ 可靠的质量保证 :
故障指示
□ 采用高性能单片机和逻辑控制 , 具有强抗干扰能力 ;
控制回路 □ SMT 贴片生产工艺 ;
PA A LH □ 优异的电磁兼容性能 ;
U V W □ 整机出厂前的高温老化 , 振动试验。
KM
□ 完善可靠的系统保护功能:
□ 失压、欠压、过压保护;
M 电动机
AR □ 软起动器过热、起动时间过长保护;
□ 输入缺相、输出缺相、三相不平衡保护;
主 回 路
□ 起动过流、运行过载、负载短路保护。
输出信号 □ 维护功能:
□ 模块化组合设计、根据故障显示内容,快速排查故障;
□ 故障记忆功能,可查找最近十次故障,以了解机械运行状态;
□ 产品亮点:
说明: □ 采用 LCD 液晶显示屏,参数修改、操作简便直观;
1.图中外控端子采用二线控制方式,即KA1闭合时起动,断开时停止。
2.由于软起动器内部继电器触点的驱动能力有限,75KW以上软起动器需通过中间继电器来控制旁路接触器线圈。 □ 自带标准 RS485 接口和 MOSBUS 协议;
□ 产品结构新颖小巧、性能可靠、安装操作简便。
299 全国统一客服热线: 400 898 1166 www.chinapeople.com 全国统一客服热线: 400 898 1166 www.chinapeople.com 300

